欢迎光临乐清市铭品电器有限公司官方网站!

工业明装插座

  • CEE-1132/1232

CEE-1132/1232

  • 013.jpg

    电       流   Current(A): 16A/32A

    电       压   Voltage(V):  220-250V~

    极       数   No. of poles: 2P+E

    防护等级  Protection degree: IP67


1132.png


16Amp

32Amp

Poles

3

4

5

3

4

5

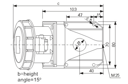
a

147

147

150

161

161

162

b

96

96

102

108

108

110

m

25

25

25

25

25

25

Wire flexible [mm²]

1-2.5

2.5-6



联系我们

公 司:乐清市铭品电器有限公司

联系人:陈经理

电话:0577-27880261

手机:13757879828

E-mail:cee@ceeplugs.com

地 址:浙江省乐清市柳市工业区

友情链接: 浙ICP备2024108916号