欢迎光临乐清路军网络科技有限公司官方网站!

工业明装插座

  • CEE-1132-4/1232-4

CEE-1132-4/1232-4

  • 013-4.jpg

    电       流   Current(A): 16A/32A

    电       压   Voltage(V):  110-130V~

    极       数   No. of poles: 2P+E

    防护等级  Protection degree: IP67


1132.png



16Amp

32Amp

Poles

3

4

5

3

4

5

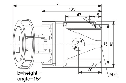
a

147

147

150

161

161

162

b

96

96

102

108

108

110

m

25

25

25

25

25

25

Wire flexible [mm²]

1-2.5

2.5-6


联系我们

公 司:乐清路军网络科技有限公司

联系人:郑经理

电话:0577-27880261

手机:13587965072

E-mail:768259840@qq.com

地 址:浙江省乐清市柳市工业区

友情链接: 浙ICP备20241089162222号